Нормирующие преобразователи и разветвители сигналов с гальванической развязкой ELHART серии ENC
Универсальный измерительный вход до 32 датчиков
Гальваническая развязка до 3000 В
Высокая точность преобразования 0,1%
Настройка с помощью DIP-переключателей
Интерфейс RS-485 (Modbus RTU)
Документация и ПО
| Наименование | Тип документа | Тип файла |
|---|---|---|
| Конфигуратор ELHART v1.5.1 | Программное обеспечение | zip |
| Паспорт. Преобразователи ENC | Паспорт | |
| Сводная таблица параметров. Преобразователи ENC. | Мануалы | |
| Каталог "Компоненты для автоматизации ELHART (2026 г.)" | Каталог | |
| Декларация о соответствии ТР ТС 020 - преобразователь аналоговых сигналов ENC | Декларации о соответствии (ТС и ЕАЭС) |
Обратите внимание! Подключение интерфейса RS-485 в преобразователях ENC производится через шину TB-BUS/2. Для этого требуется клеммник TB-PS, который не входит в комплект поставки преобразователей и приобретается отдельно.
Описание нормирующих преобразователей и разветвителей ENC
Нормирующие преобразователи и разветвители серии ENC предназначены для гальванической развязки и измерения сигналов от датчиков (температура, давление, влажность, уровень, расход, положение и др.) и для преобразования измеренных значений в унифицированные выходные сигналы постоянного тока и напряжения.
Универсальный измерительный вход позволяет подключать термопреобразователи сопротивления, термопары, токовые шунты, унифицированные токовые сигналы и сигналы напряжения, потенциометры и сопротивления.
Область применения – преобразование и передача параметров технологических процессов от первичных измерительных датчиков ко вторичным устройствам (системам) регистрации, контроля и управления. Для замены импортных преобразователей, например: Z109REG, Z170REG, K121, K120RTD, D1072D, D1014D, D6273S, KFD2-UT2, KFU8-GUT, S1SD-1TI, TR320, IM34-11 и др. Применяются в металлургической, химической, пищевой, добывающей, перерабатывающей и прочих отраслях промышленности, в коммунальном и сельском хозяйстве.
Модификации преобразователей ENC
ENC.S1 универсальный нормирующий преобразователь с одним измерительным входом и с одним аналоговым выходом.
ENC.S2 разветвитель / преобразователь аналоговых сигналов с одним измерительным входом и с двумя независимыми аналоговыми выходами.
Особенности преобразователей ELHART ENC
- Универсальный измерительный вход, поддерживающий 32 типа первичных преобразователей: термосопротивления, термопары, токовые шунты, потенциометры, переменные резисторы, а также унифицированные сигналы по току (-20...20, 0...20, 4...20 мА) и напряжению (-10...10, 0...5, 0...10 В).
- Полная гальваническая развязка всех цепей (вход, выходы, питание, интерфейс) с испытательным напряжением изоляции до 3000 В постоянного тока — обеспечивает безопасность подключаемого оборудования.
- Высокая точность нормирования: основная приведенная погрешность преобразования — до 0,1%.
- Гибкое масштабирование: возможность задания пользовательских шкал и настройки нестандартных диапазонов как на входе, так и на выходе. Это упрощает замену датчиков с нестандартными характеристиками без изменения логики контроллера.
- Линеаризация по точкам: задание произвольной нелинейной зависимости между входным и выходным сигналами (21 точка), что особенно полезно при работе с резервуарами сложной формы, нелинейными датчиками и специализированными преобразователями.
- Поддержка активной и пассивной схем подключения токовой петли — как для входных датчиков, так и для выходных вторичных приборов.
- Интерфейс RS-485 с поддержкой протокола Modbus RTU — позволяет выполнять расширенную настройку, калибровку и диагностику, а также использовать нормирующий преобразователь как высокоточный модуль аналогового ввода/вывода в составе АСУ ТП.
- Настройка с помощью DIP-переключателей: выбор типа датчика, диапазона измерения, конфигурации аналоговых выходов и параметров последовательного интерфейса.
- Монтаж на шину T-BUS, через совместимую с ПЛК и периферийными модулями серии Alpha-X колодку, что упрощает сборку и обслуживание распределенных систем автоматизации.
Примеры использования преобразователей ENC
Список применений:
- Учет объема жидкости в резервуаре сложной геометрии
- Разветвление сигнала от датчика разряжения для управления работой котла
Учет объема жидкости в резервуаре сложной геометрии
При измерении уровня жидкости в резервуарах со сферическим дном или сложной формой (например, с изгибами и сужениями) сигнал датчика гидростатического давления пропорционален уровню, а не реальному объему. Это приводит к значительным погрешностям при расчете запасов, дозировании или управлении технологическим процессом, так как зависимость «уровень - объем» в таких емкостях — нелинейная.
Нормирующий преобразователь ENC.S1 получает сигнал от датчика давления РТЕ1000М и с помощью функции линеаризации по точкам пересчитывает его в соответствии с заранее заданной таблицей соответствия «уровень - объем». На выходе формируется унифицированный аналоговый сигнал 4…20 мА, пропорциональный фактическому объему, который передается в ПЛК Alpha-X.
для приведения сигнала от датчика уровня к объему в емкости
Разветвление сигнала от датчика разряжения для управления работой котла
Для стабильной и безопасной работы котла необходимо поддерживать постоянное разрежение в его вытяжной системе. Однако для этого требуется одновременно управлять исполнительным механизмом (например, дымососом через частотный преобразователь) и обеспечивать визуальный контроль за работой системы оператором. Прямое подключение одного датчика к двум устройствам невозможно без риска взаимного влияния цепей, потери точности или нарушения гальванической изоляции.
Разветвитель ENC.S2 принимает сигнал от датчика разрежения (0…20 мА) и формирует два независимых, гальванически изолированных аналоговых выхода:
- Первый (0…10 В) — для частотного преобразователя EMD-PUMP, управляющего скоростью дымососа.
- Второй (0…20 мА) — для локального индикатора ECD2-SL, отображающего текущее значение разрежения.
Такое решение позволяет:
- Обеспечить полную гальваническую развязку в цепях управления, что повышает надёжность и безопасность системы.
- Сохранить высокую точность передачи сигнала в обе цепи благодаря независимым выходным каналам с погрешностью до 0,1%.
от датчика разрежения на два устройства
Технические характеристики преобразователей ENC
| Параметр | Значение |
|---|---|
| Напряжение питания | =10...30 В |
| Потребляемая мощность | не более 4 Вт |
| Электрическая прочность изоляции между гальванически развязанными блоками |
до 3000 В постоянного тока |
| Защиты по питанию | от неверной полярности |
| Измерительный вход (универсальный) |
термосопротивления: 50М, 100М, 500М, 1000М, 50П, 100П, 500П, 1000П, Pt100, Pt500, Pt1000, Ni100, Ni500, Ni1000; термопары: R, T, J, K, L, N, B, S; токовые шунты: -125...125 мВ; токовые сигналы: -20...20 мА; сигналы напряжения: -10...10 В; потенциометры и сопротивления: до 20 кОм |
| Аналоговые выходы | независимые, настраиваемые: 0...20 мА или 0...10 В |
| Предел основной приведенной погрешности * |
±0,1% - для сигналов термосопротивлений (кроме 50М), термопар, токовых шунтов, унифицированных сигналов по току и напряжению; ±0,25% - для теромосопротивлений типа 50М; ±0,5% - для сигналов потенциометров и сопротивлений до 20 кОм |
| Дополнительная температурная погрешность на каждые 10 °C от +23 °C |
±0,1% |
| Время отклика выхода при изменении входа от 10 до 90% |
от 100 до 2000 мс в зависимости от настроек фильтрации |
| Интерфейс и протокол связи | RS-485, Modbus RTU |
| Степень защиты, обеспечиваемая оболочкой корпуса |
IP20 |
| Рабочая температура окружающего воздуха при эксплуатации или хранении |
-20...+50 °C |
| Относительная влажность окружающего воздуха без образования конденсата при эксплуатации или хранении |
10...80% |
| Характеристики клемм | съемные клеммные колодки с винтовыми зажимами для проводников до 1,5 мм² |
| Масса изделия | не более 105 г |
(*) - Для измерения — от полного диапазона измерения выбранного типа датчика; для генерации и преобразования — от полного диапазона выходного сигнала.
Габаритные размеры преобразователей ENC
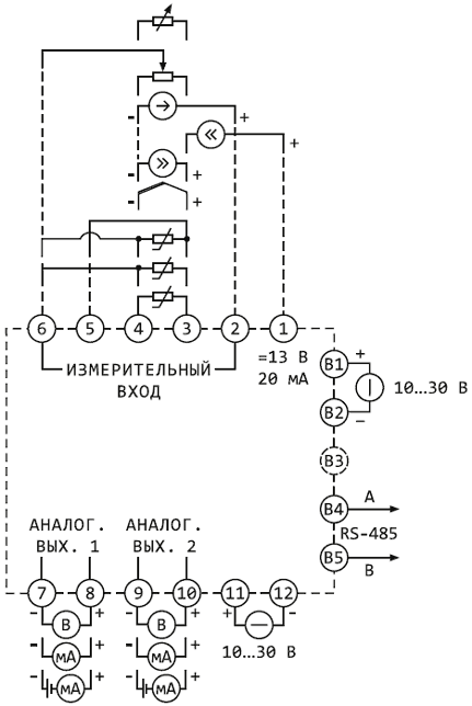
Схемы подключения преобразователей ENC
преобразователя ENC.S1
Внимание! Не допускается одновременное подключение напряжения питания через клеммы корпуса и через клеммную колодку TB-PS. Иначе прибор может выйти из строя. Колодка TB-PS не входит в комплект поставки и приобретается отдельно.
Монтаж преобразователей ENC
Преобразователи ENC устанавливаются на DIN рейку. До 17 приборов могут быть соединены друг с другом в общую шину через колодки TB-BUS/2, входящие в комплект поставки. Эта шина используется для подачи питания на все модули и для подключения их к линии RS-485.
Для подключения одной колодки TB-BUS/2 или шины, состоящей из таких колодок, используется один клеммник TB-PS. Он не входит в комплект поставки и приобретается отдельно.
Информация для заказа нормирующих преобразователей и разветвителей ENC
| ENC. | - | - | |||
|---|---|---|---|---|---|
| Тип устройства | |||||
| Универсальный преобразователь сигналов с 1 выходом | S1 | ||||
| Универсальный преобразователь-разветвитель сигналов с 2 выходами | S2 | ||||
| Другие возможные типы устройств по согласованию с заказчиком | - | ||||
| Тип выхода | |||||
| Универсальный выход (0...20 мА / 0...10 В) | UI | ||||
| Другие возможные типы выходов по согласованию с заказчиком | - | ||||
| Дополнительные опции | |||||
| DIP-переключатели для настройки | DP | ||||
| Интерфейс связи RS-485 | RS | ||||
| Другие возможные опции по согласованию с заказчиком | - | ||||
Пример: ENC.S2-UI-DP-RS — Нормирующий преобразователь-разветвитель сигналов с гальванической развязкой, с универсальным измерительных входом, с двумя независимыми выходами, которые можно настроить на сигналы тока от 0 до 20 мА (активная и пассивная схема) или на сигналы напряжения от 0 до 10 В, с DIP переключателями для быстрой настройки и с интерфейсом RS-485.

